Продавець Опт-Торг розвиває свій бізнес на Prom.ua 6 років.
Знак PRO означає, що продавець користується одним з платних пакетів послуг Prom.ua з розширеними функціональними можливостями.
Bigl.ua — приведет к покупке
Кошик
342 відгуків
Для замовлення натисніть на значок телефону  +380965842744+380965842744

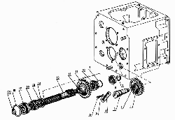
Вал I‑ї передачі і заднього ходу МТЗ‑80 (каталог 1998)

Вал I‑ї передачі і заднього ходу МТЗ‑80 (каталог 1998)
Найменування Артикул К-сть
Вал 1 передачі та заднього ходу в зборі 70-1701380 1
Шестерня з підшипником в зборі 70-1701080 1
1 Проміжна шестерня заднього ходу 70-1701082 1
2 Підшипник ЗКК 30-35-46Е ЗКК 30-35-46Е 1
3 Вісь 50-1701434А 1
4 Планка 50-1702082А 1
5 Шайба 10 ОТ 65Г 06 ДСТУ 6402-70 2
6 Болт М10-6gх35.88.35.019 ДСТУ 7796-70 2
7 Кільце Х4М-1701163 2
8 Підшипник 208 ДСТУ 8338-75 208 2
9 Кільце 2В65 ДСТУ 13940-68 2В65 1
10 Шестерня вмикання ходозменшувача I 70-1701072 1
11 Шестерня приводу ходозменшувача 70-1701224 1
12 Втулка 70-1701225 1
13 Вал 1 передачі та заднього ходу (модифікація) 70-1701382 1
14 Шайба 70-1701226 1
15 Кільце 2В50 2В50 2
16 Шестерня 1 передачі та заднього ходу 50-1701212-А 1
17 Підшипник 50308 ДСТУ 2893-73 50308 1
18 Кільце КСП-90 ДСТУ 2893-73 КСП-90 1